k¶¹Ç®°ü

ÖÐÎÄ EN
Ê×Ò³
ÀûÓÃÁìÓò
Æû³µ
Æû³µ Çå½àÄÜÔ´ ¹¤¿Ø µçÔ´ ÖÇÄÜ¼Ò¾Ó °²·À ÒDZí ͨѶ

11-1

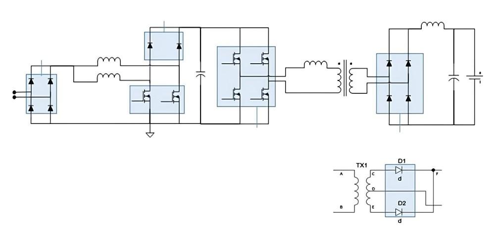
Æû³µ k¶¹Ç®°ü¿Æ¼¼Ìṩ³µµÆ¡¢ÖÇÄÜ×ù²Õ¡¢BMS¡¢³äµç×®µÈÆû³µµç×ÓÀûÓã¬Îª¿Í»§Ìṩһվʽ¹¦ÂÊÆ÷¼þ²úÆ··þÎñ¡£

Rear Lighting βµÆ ?

Traction Motor Inverter Ö÷µçÇýµç»úÄæ±äÆ÷ ?

Motor Control Brushed ÓÐË¢µç»ú ?

Motor Control Brushless ÎÞË¢µç»ú ?

Electric Power Steering µç¶¯ÖúÁ¦×ªÏò ?

3.3KW or Below On Board Charger 3.3KW»òÒÔÏÂ OBC ?

6.6KW or Above On Board Charger 6.6KW»òÒÔÉÏ OBC ?

HV A/C Compressor ¸ßѹ¿Õµ÷ѹËõ»ú ?

PTC Heater PTC ¼ÓÈÈÆ÷ ?

Privacy Cookies ±¾ÍøÕ¾Ê¹ÓÃä¯ÀÀÆ÷¼Í¼ Cookies À´ÓÅ»¯ÄúµÄʹÓÃÂÄÀú£¬ÓйØÐÅÏ¢Çë½Ó¼ûk¶¹Ç®°ü˾·¨ÉêÃ÷ÓëÒþÖÔÉêÃ÷¡£ÈôÊÇÄúÑ¡Ôñ³ÖÐøä¯ÀÀÕâ¸öÌáÐÑ£¬±ã°µÊ¾ÄúÒѽÓÊÜÎÒÃÇÍøÕ¾µÄʹÓÃÌõ¿î¡£

¡¾ÍøÕ¾µØÍ¼¡¿